TD型斗式提升機
【產品類別】:提升設備
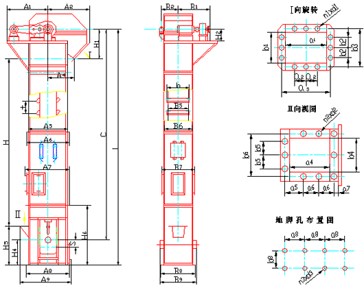
【產品簡述】:一、提升機的用途及特點 TD型斗式提升機是我廠基于D型斗式提升機研制 的新產品,與D型相比,具有規格多輸送量大,提升高...
【友情提示】:公司除產品售后保修-年外;還長期提供零配件和終身維修。設有專門的售后服務隊!
18567557287
- 上一篇:沒有了;
- 下一篇:NE型斗式提升機

【產品類別】:提升設備
【產品簡述】:一、提升機的用途及特點 TD型斗式提升機是我廠基于D型斗式提升機研制 的新產品,與D型相比,具有規格多輸送量大,提升高...
【友情提示】:公司除產品售后保修-年外;還長期提供零配件和終身維修。設有專門的售后服務隊!
18567557287